+7 (912)-751-33-24Заказать звонок
Заказать звонок

Оставьте Ваше сообщение и контактные данные и наши специалисты свяжутся с Вами в ближайшее рабочее время для решения Вашего вопроса.

Ваш телефон
Ваш телефон*
Ваше имя
Ваше имя

* - Поля, обязательные для заполнения

Сообщение отправлено
Ваше сообщение успешно отправлено. В ближайшее время с Вами свяжется наш специалист
Закрыть окно
arbatex@list.ru
Каталог товаров
Подписка на новости магазина

Подпишитесь на рассылку и получайте свежие новости и акции нашего магазина.

Описание товара:

Автомат защиты сети АЗС-20 предназначен для многоразовой защиты электрических установок от перегрузок и коротких замыканий.
523.63 руб. / шт Цена не является конечной и требует уточнения у менеджера.
Загрузка
Рассчитываем стоимость доставки
Пожалуйста подождите, рассчет займет немного времени

Описание товара

Описание


Автомат защиты АЗС-20 - это механический коммутационный аппарат, способный включать, проводить и отключать токи при нормальном состоянии цепи, а также включать, проводить в течение заданного времени и автоматически отключать токи в указанном аномальном состоянии цепи, таких, как токи короткого замыкания.
АЗС-20 предназначен для многоразовой защиты электрических установок от перегрузок и коротких замыканий.
Некоторые модели обеспечивают защиту от других аномальных состояний, например, от недопустимого снижения напряжения.

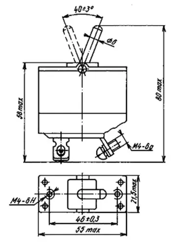
Параметры и характеристики


Автомат защиты сети АЗС-20 предназначен для автоматического отключения потребителей электроэнергии при перегрузках и коротких замыканиях в цепях постоянного тока при напряжении до 30В в закрытых стационарных и передвижных установках.

Структура условного обозначения:
АЗС-20
- АЗС - автомат защиты сети;
- 20 - величина номинального тока, А;

Основные технические характеристики автомата защиты сети АЗС:
• Номинальное напряжение, В ...... 27+2,7
• Номинальные токи, А ...... 2; 5; 10; 15; 20; 25; 30; 40
• Напряжение переменного тока частоты 50 Гц, которое выдерживает электрическая изоляция автоматов в течение 1 мин, В ...... 500
• Сопротивление изоляции автоматов при напряжении 100 В, МОм, не менее:
     - в холодном состоянии ...... 20
     - в нагретом состоянии ...... 6
     - после пребывания в камере влажности с относительной влажностью 95-98% при температуре (20+5)°С ...... 2
• Предельно допустимая температура нагрева выводных контактных зажимов автоматов в продолжительном режиме при нагрузке iном, °С, не более ...... 120
• Падение напряжения между шинами подвижных и неподвижных контактов при iном, мВ, не более ...... 180
• Масса, кг, не более ...... 0,09
Добавить отзыв
Ваша оценка:
Отправить отзыв

Похожие товары (8)

523.63 руб. / шт Цена не является конечной и требует уточнения у менеджера.
АЗС-20 автомат защиты
Задать вопрос

Ваше имя*
Контактный телефон*
E-mail
Вопрос*

* - Поля, обязательные для заполнения

Сообщение отправлено
Ваше сообщение успешно отправлено. В ближайшее время с Вами свяжется наш специалист
Закрыть окно
Купить в один клик
Заполните данные для заказа
Запросить стоимость товара
Заполните данные для запроса цены
Запросить цену Запросить цену